Features
1.Actual measured with full range of DOF, full range of FOV, and full range of wave length
2.Available for Industrial Cameras with 1.1" Sensor Size
3.Large FOV from 11.5mm-315mm
4.Distortion: <0.05% Telecentricity: <0.05°
5.TG+ multi-layer coating, high transmittance
6.Options between high resolution and deep DOF are available
7.Customized aperture is available
8.Working distance can be adjusted within certain limits
9.Industrial grade waterproofing
Data
|
Type |
Lenses with High Resolution |
||
|
Model |
OTLZ18.5-15-300C |
||
|
Max. FOV(mm) |
12.33 |
||
|
Magnification |
1.5 |
||
|
Working Distance(mm) |
300 |
||
|
1.1” |
H |
14.16 |
9.44 |
|
V |
10.37 |
6.91 |
|
|
D |
17.60 |
11.73 |
|
|
18.5mm |
H |
14.80 |
9.90 |
|
V |
11.10 |
7.40 |
|
|
D |
18.50 |
12.30 |
|
|
Effective F number |
39 |
||
|
Object Side Resolution(μm) |
17.466 |
||
|
DOF(mm) |
1.39 |
||
|
Measured Telecentricity(°) |
<0.05 |
||
|
Measured Distortion(%) |
<0.05 |
||
|
Lens Mount |
C |
||
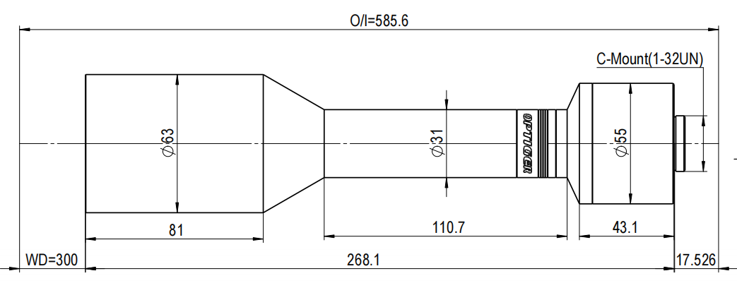
Drawing
