Features
1.Actual measured with full range of DOF, full range of FOV, and full range of wave length
2.Available for Industrial Cameras with 2/3" Sensor Size
3.Large FOV from 11.5mm-315mm
4.Distortion: <0.05% Telecentricity: <0.05°
5.TG+ multi-layer coating, high transmittance
6.Options between high resolution and deep DOF are available
7.Customized aperture is available
8.Working distance can be adjusted within certain limits
9.Industrial grade waterproofing
Data
|
Type |
Lenses with High Resolution |
Lenses with Deep DOF |
||
|
Model |
OTL11.5-10-220C |
OTL11.5-10-220C-D |
||
|
Max. FOV(mm) |
11.50 |
11.50 |
||
|
Magnification |
1.0 |
1.0 |
||
|
Working Distance(mm) |
220 |
220 |
||
|
2/3” |
H |
8.45 |
8.45 |
8.45 |
|
V |
7.07 |
7.07 |
7.07 |
|
|
D |
11.00 |
11.00 |
11.00 |
|
|
11.5mm |
H |
9.20 |
9.20 |
9.20 |
|
V |
6.90 |
6.90 |
6.90 |
|
|
D |
11.50 |
11.50 |
11.50 |
|
|
Effective F number |
11 |
20 |
||
|
Object Side Resolution(μm) |
7.381 |
13.420 |
||
|
DOF(mm) |
0.88 |
1.60 |
||
|
Measured Telecentricity(°) |
<0.05 |
<0.05 |
||
|
Measured Distortion(%) |
<0.05 |
<0.05 |
||
|
Lens Mount |
C |
C |
||
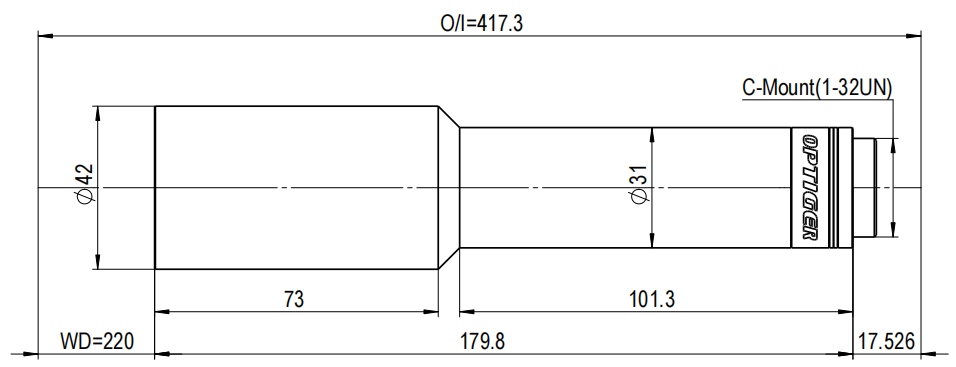
Drawinng
